Pour les 250 ou 300 2T
Pour les 250 ou 300 2T
Salut à tous,
Pour info, une couronne de KT se monte sur nos Beta 2T moyennant une petite modif.
Dans mon garage, j'ai une bonne collection de couronnes d'origine car en général je raccourcis toujours la démultiplication. J'avais la couronne d'origine de mon 250 KT 2006 de 50 dents (1 de + que d'origine) et en comparant avec celle de la Beta, elles paraissent identiques au niveau de la fixation. Pour qu'elle se monte il faut juste agrandir les 6 trous de fixation d'envrion 1/2 milimetres, donc très facile avec qq coups de lime.
A l'usage la 50 dents est impec. On conserve mieux la 2nde dans les grimpettes.
Autre truc, j'ai trouvé le fil qui permet de brancher la double courbe :
- démonter le réservoir
- couper le rilsan noir qui retient un amas de fils situés sous le cadre vers le thermostat
- récupérer le fil Rouge et jaune qui se termine par une fiche femelle
- brancher à un interrupteur double courbe dont l'autre fil doit être mis à la masse.
Je viens d'acheter un interrupteur gasgas (avec le soleil et nuage), mais apparemment la boucle est inversée : la position soleil correspond à la boucle fermée, donc courbe soft sur la beta.
Bon je l'ai pas encore monté, donc je sais pas si elle est efficace.
A suivre....
Pour info, une couronne de KT se monte sur nos Beta 2T moyennant une petite modif.
Dans mon garage, j'ai une bonne collection de couronnes d'origine car en général je raccourcis toujours la démultiplication. J'avais la couronne d'origine de mon 250 KT 2006 de 50 dents (1 de + que d'origine) et en comparant avec celle de la Beta, elles paraissent identiques au niveau de la fixation. Pour qu'elle se monte il faut juste agrandir les 6 trous de fixation d'envrion 1/2 milimetres, donc très facile avec qq coups de lime.
A l'usage la 50 dents est impec. On conserve mieux la 2nde dans les grimpettes.
Autre truc, j'ai trouvé le fil qui permet de brancher la double courbe :
- démonter le réservoir
- couper le rilsan noir qui retient un amas de fils situés sous le cadre vers le thermostat
- récupérer le fil Rouge et jaune qui se termine par une fiche femelle
- brancher à un interrupteur double courbe dont l'autre fil doit être mis à la masse.
Je viens d'acheter un interrupteur gasgas (avec le soleil et nuage), mais apparemment la boucle est inversée : la position soleil correspond à la boucle fermée, donc courbe soft sur la beta.
Bon je l'ai pas encore monté, donc je sais pas si elle est efficace.
A suivre....
Re: Pour les 250 ou 300 2T
tres interessant pour la double courbe tient nous au courant apres essai
Re: Pour les 250 ou 300 2T
merci pour les infos super sympas
revien nous
merci
revien nous
merci
Re: Pour les 250 ou 300 2T
bonjour,
je reviens sur le sujet de la double courbe d'allumage, l'essais a t il était concluant ou c'est pas le fil de la double courbe?
merci d'avance
sportivement
je reviens sur le sujet de la double courbe d'allumage, l'essais a t il était concluant ou c'est pas le fil de la double courbe?
merci d'avance
sportivement
Re: Pour les 250 ou 300 2T
Salut,
Pas de retour pour le moment cause entorse au genou depuis 2 mois. Je me suis fait ça le 1er jour ou j'ai roulé avec la double courbe, et au début de la balade...
Dur, dur
.
Reprise j'espère en Aout en Auvergne
.
sans mettre de commutateur, pour tester tu peux toujours brancher le rouge/jaune à une masse, tu branches et tu débranches pour tes tests (comme d'origine sur les KT quoi
).
Pas de retour pour le moment cause entorse au genou depuis 2 mois. Je me suis fait ça le 1er jour ou j'ai roulé avec la double courbe, et au début de la balade...
Dur, dur
Reprise j'espère en Aout en Auvergne
sans mettre de commutateur, pour tester tu peux toujours brancher le rouge/jaune à une masse, tu branches et tu débranches pour tes tests (comme d'origine sur les KT quoi
Re: Pour les 250 ou 300 2T
Désolé pour toi Pascal 
Bon rétablissement
Bon rétablissement
-
Penel Eric
- Messages : 4
- Enregistré le : 14 juil. 2014, 19:56
Re: Pour les 250 ou 300 2T
Salut Pascal,
Merci pour les infos, donc si j'ai bien compris, à l'origine (fil jaune/rouge non relié à la masse) la moto est sur une courbe hard.
Si ce n'était pas le cas elle serait encore plus violente (Vu mon niveau se serait même trop violente).
Sais-tu si le fil existe sur les modèle 2013 ?
Ciao à bientôt
Eric
Merci pour les infos, donc si j'ai bien compris, à l'origine (fil jaune/rouge non relié à la masse) la moto est sur une courbe hard.
Si ce n'était pas le cas elle serait encore plus violente (Vu mon niveau se serait même trop violente).
Sais-tu si le fil existe sur les modèle 2013 ?
Ciao à bientôt
Eric
Re: Pour les 250 ou 300 2T
salut,
je relance un peu le sujet, venant d'acquerir un 300 2T 2015 (donc avec le cdi de la 300 racing 2014), j'aurais voulu savoir si un possesseur de 300 racing 2014 pouvait me dire sur quels fils étaient branchés l'interrupteur double courbe.
je relance un peu le sujet, venant d'acquerir un 300 2T 2015 (donc avec le cdi de la 300 racing 2014), j'aurais voulu savoir si un possesseur de 300 racing 2014 pouvait me dire sur quels fils étaient branchés l'interrupteur double courbe.
-
Penel Eric
- Messages : 4
- Enregistré le : 14 juil. 2014, 19:56
Re: Pour les 250 ou 300 2T
Salut Teus,
J'ai un 300 2013 et je viens de connecter la double courbes.
Pour info la courbe 2 rend la moto plus soft.
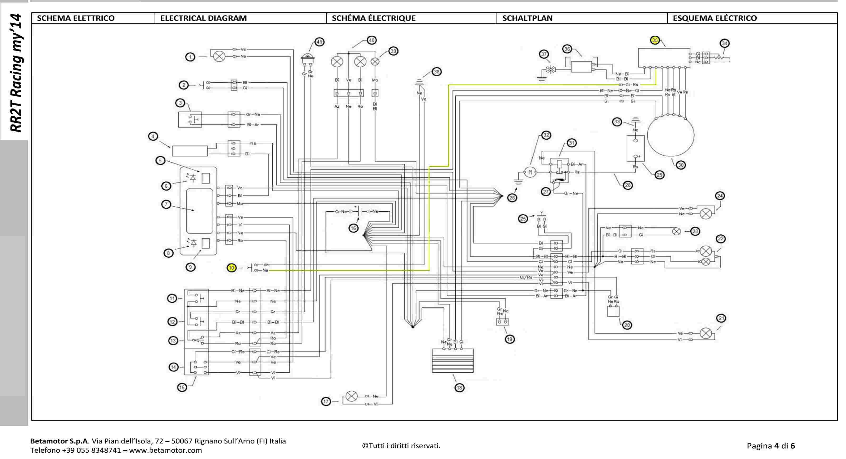
Il faut brancher un fil de l'inter sur le fil Jaune/rouge qui vient du CDI. (Surligné en jaune sur le schéma)
Fait attention il y a plusieurs flis jaune/rouge sous le réservoir.
Et l'autre à la masse
Voila, je pense avoir répondu à ta question.
A+
Eric
J'ai un 300 2013 et je viens de connecter la double courbes.
Pour info la courbe 2 rend la moto plus soft.
Il faut brancher un fil de l'inter sur le fil Jaune/rouge qui vient du CDI. (Surligné en jaune sur le schéma)
Fait attention il y a plusieurs flis jaune/rouge sous le réservoir.
Et l'autre à la masse
Voila, je pense avoir répondu à ta question.
A+
Eric
Re: Pour les 250 ou 300 2T
merci c'est cool, j'ai plus qu'a jeter un oeil sous mon reservoir !