Bonsoir,
Je dois monter un allumage MVT DD12 sur la Beta 50 RR enduro de mon fils. Pour arrêter le moteur de la moto il faut mettre un fil en contact de la masse.
Sur le MVT il faut débrancher le CDI existant, la bobine de la bougie, ... pour repartir sur un nouveau circuit
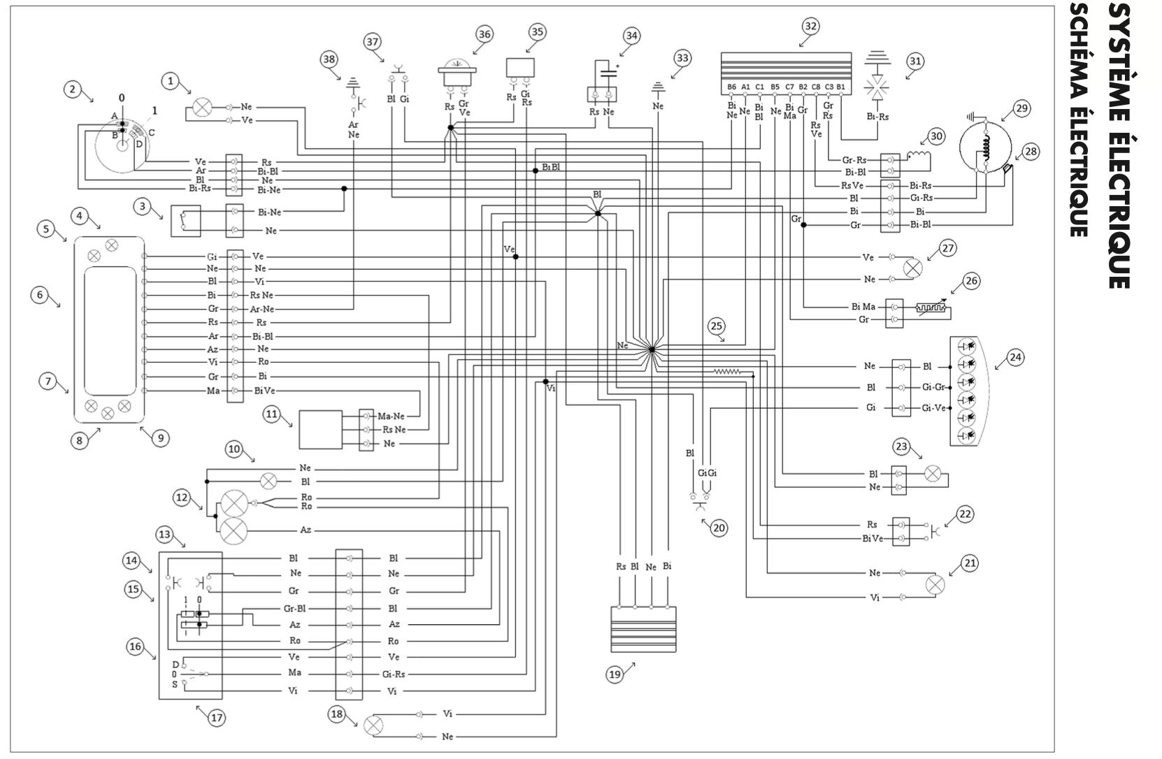
J'avais pensé que sur le schéma électrique de base le coupe circuit (3) avait pour but de mettre la borne B6 du CDI à la masse. Idem pour le contacteur (2).
Mais quand je regarde à l'ohmètre c'est l'inverse que je vois !
En effet quand le coupe circuit (3) est en position "moteur en marche" je vois que B6 est à la masse et quand il est en position coupé B6 n'est plus à la masse. Et quand le contact (2) est coupé B6 n'est pas à la masse.
Qu'en pensez vous ?