Schema électrique Beta 50 RR Factory 2021

Batterie, injection, régulateur, fusibles, faisceau, ampoules, allumage ...
Répondre
erm31
Messages : 4
Enregistré le : 16 sept. 2022, 10:02

Schema électrique Beta 50 RR Factory 2021

Message par erm31 »

Bonjour,
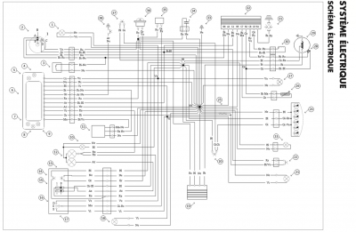
Mon fils a une Beta 50 RR Enduro Factory et je suis à la recherche du schéma électrique EXACTE car tout ceux qu'on trouve dans les doc BETA ne représentent pas la réalité de ce qui est sur la moto.
Par example on trouve une connexion directe entre le CDI et la bougie (CDI bobine) alors que sur la moto c'est une bobine séparée.
Je cherche ce schema car je voudrais monter un allumage MVT DD12 et cherche ou connecter une de mes deux sorties avec tension de mon MVT sur le régulateur afin de fournir l'alimentation électrique générale (phares, clignotants, ...).
Fichiers joints
Schema-elec-Beta.png
Répondre